
電話:0769-85189162 26980325
傳真:0769-81610656
郵箱:leesun@leesuncn.com
sales@leesuncn.com
地址:廣東省東莞市南城區第一國際百安中心B座303室
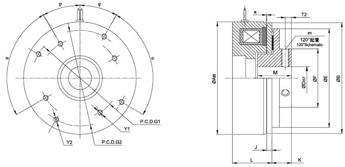
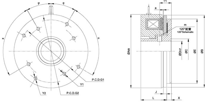
永磁離合器與制動器不像其它機械式離合器那樣通過機械聯接來傳送轉矩,而是靠永磁體的磁力藕合作用來傳送轉矩。它所聯接的主、從動軸轉速相同,亦稱同步離合器。常用于扭矩限制、張力控制、瓶蓋旋緊器等方面。
特點
1.無背隙
2.所有安裝位置下無磨損
3.低慣量、高動力性
4.高、低溫下扭矩恒定
5.運行電壓范圍內性能高度穩定
原理
失電時,電樞板在永磁力的作用下被吸引到制動器定子的摩擦面上,產生無滑轉的轉矩。驅動或制動轉矩通過板式彈簧傳遞,運行時無滑轉,連接后無磨損。通電后,線圈產生抵消永磁力的電磁力,電樞板在板式彈簧的作用下離開制動器定子,空轉時的轉矩損失為零。
永磁制動器能在斷電條件下運行并具有下列功能:抱持、定位和緊急停止。制動力由對抗電場抵消,從而具有高安全度,即使是在停電時。永磁制動器具有安全、在任何位置均無升降殘留力矩,以及傳遞制動扭矩時無背隙的特點。