
電話:0769-85189162 26980325
傳真:0769-81610656
郵箱:leesun@leesuncn.com
sales@leesuncn.com
地址:廣東省東莞市南城區第一國際百安中心B座303室
APEX全新的PⅡ/PⅡR系列為高精度的經濟型伺服馬達減速機,擁有極佳的效能與品質。APEX的創新設計,提供給您最小的尺寸,最輕的重量及最佳的運轉效能。
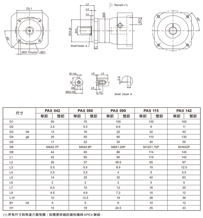
產品概要:
輸出額定力矩:
T2N :8 Nm - 459 Nm
減速比:
單節 :3 / 4 / 5 / 7 / 9 / 10
雙節 : 15 / 16 / 20 / 25 / 30 / 35 / 40 / 50 / 70 / 81 / 100
低背隙:
單節 :≦ 6 ~ 8 arcmin
雙節 :≦ 8 ~ 10 arcmin
高效率:
單節 :≧ 97%
雙節 :≧ 94%
容易安裝
低噪音
結構緊湊
產品特點:
- 經濟型
- 高效率
- 低噪音
- 低背隙
- 低溫升
- 使用壽命長
- -尺寸與重量極小化
- 適用于多種尺寸的馬達軸徑
- 尺寸與重量極小化