減速機性能數據
規格 | 節數 | 減速比1 | ATB065 4M | ATB075 4M | ATB090 4M | ATB110 4M | ATB140 4M | ATB170 4M | ATB210 4M | ATB240 4M | ATB280 4M |
額定輸出力矩 T2N | Nm | 1 | 1 | 25 | 45 | 78 | 150 | 360 | 585 | 1,300 | 2,150 | 3,200 |
最大加速力矩 T2B | Nm | 1 | 1 | 1.5倍額定輸出力矩 |
最大加速輸入轉速 n1B | rpm | 1 | 1 | 7,500 | 6,500 | 5,500 | 4,500 | 3,500 | 3,000 | 2,200 | 2,000 | 1,700 |
標準背隙* | arcmin | 1 | 1 | ≤ 6 | ≤ 6 | ≤ 6 | ≤ 6 | ≤ 6 | ≤ 6 | ≤ 6 | ≤ 6 | ≤ 6 |
最大徑向力 F1rB2
輸入 d1 | N | 1 | 1 | 700 | 950 | 1,450 | 2,100 | 2,700 | 3,800 | 7,800 | 9,600 | 10,500 |
最大徑向力 F2rB3
輸出 d2 | N | 1 | 1 | 900 | 1,100 | 1,700 | 2,700 | 4,800 | 6,600 | 11,500 | 16,000 | 18,000 |
最大軸向力 F1aB2
輸入 d1 | N | 1 | 1 | 350 | 425 | 725 | 1,050 | 1,350 | 1,900 | 3,900 | 4,800 | 5,250 |
最大軸向力 F2aB3
輸出 d2 | N | 1 | 1 | 450 | 550 | 850 | 1,350 | 2,400 | 3,300 | 5,750 | 8,500 | 9,000 |
使用壽命 | hr | 1 | 1 | 20,000* |
效率  | % | 1 | 1 | ≧ 98 % |
重量 | kg | 1 | 1 | 3.5 | 5.6 | 9.1 | 15.4 | 24.8 | 42.6 | 82.5 | 123.5 | 193.3 |
使用溫度 | oC | 1 | 1 | -10oC~90oC |
潤滑 | | - | - | Synthetic Iubrication oils, ISO VG 150 |
噪音值
(n1=1500 rpm,無負載) | dB(A) | 1 | 1 | ≤68 | ≤70 | ≤74 | ≤76 | ≤77 | ≤78 | ≤80 | ≤82 | ≤83 |
1.減速比 ( i=Nin/Nout )
2.轉速在100rpm時,作用于輸入軸中心位置。
3.轉速在100rpm時,作用于輸出軸中心位置。
*連續運轉,使用壽命為10,000 hrs.
*背隙值為在2%額定力矩 T2N的扭力下所測得
*AT系列之低摩擦型號, 其輸入/輸出端禁止朝下安裝, 以防止潤滑油泄漏.
減速機轉動慣量
規格 | 節數 | 減速比1 | ATB065 4M | ATB075 4M | ATB090 4M | ATB110 4M | ATB140 4M | ATB170 4M | ATB210 4M | ATB240 4M | ATB280 4M |
轉動慣量 J1 (kg·cm2 ) | 1 | 1 | 0.51 | 1.30 | 3.16 | 7.70 | 23.57 | 58.99 | 195.40 | 369.34 | 799.12 |
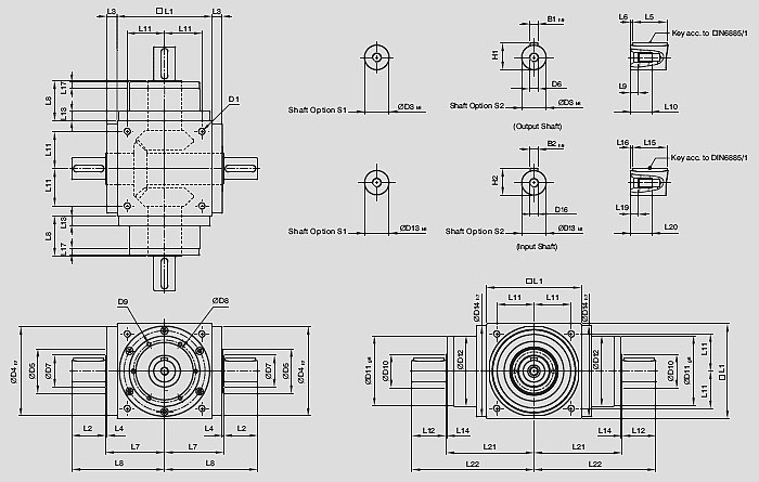
產品尺寸
單節( 減速比 i = 1 )

| ATB065 4M | ATB075 4M | ATB090 4M | ATB110 4M | ATB140 4M | ATB170 4M | ATB210 4M | ATB240 4M | ATB280 4M |
D1 | M4 | M6 | M6 | M8 | M10 | M12 | M16 | M16 | M16 |
D3 k6 | 13 | 16 | 18 | 22 | 32 | 40 | 50 | 55 | 60 |
D4 h7 | 63 | 73 | 88 | 108 | 135 | 165 | 205 | 235 | 275 |
D5 | 31 | 35 | 43 | 53 | 68 | 83 | 104 | 124 | 144 |
D6 | M4 | M5 | M5 | M8 | M12 | M16 | M16 | M16 | M20 |
D7 | 21 | 22 | 28 | 33 | 47 | 55 | 75 | 85 | 110 |
D8 | 53 | 62 | 76 | 95 | 92 | 114 | 142 | 160 | 176 |
D9 | 4xM4xL7 | 4xM5xL8 | 4xM5xL8 | 6xM6xL10 | 6xM6xL10 | 6xM8xL12.5 | 6xM8xL12.5 | 6xM8xL12.5 | 6xM10xL15 |
D10 | 15.4 | 20.4 | 25.8 | 35.8 | 49.8 | 59.3 | 79.3 | 92.3 | 102.3 |
D11 g6 | 62.9 | 72.9 | 87 | 107 | 103 | 127 | 158 | 178 | 198 |
D12 | 62 | 72 | 86 | 106 | 104 | 128 | 160 | 180 | 200 |
D13 k6 | 13 | 16 | 18 | 22 | 32 | 40 | 50 | 55 | 60 |
D14 h7 | 63 | 73 | 88 | 108 | 135 | 165 | 205 | 235 | 275 |
D16 | M4 | M5 | M5 | M8 | M12 | M16 | M16 | M16 | M20 |
L1 | 65 | 75 | 90 | 110 | 140 | 170 | 210 | 240 | 280 |
L2 | 19.5 | 30 | 35 | 40 | 50 | 60 | 75 | 85 | 110 |
L3 | 13 | 14.5 | 15 | 15 | 15 | 15 | 20 | 25 | 25 |
L4 | 2 | 2 | 2 | 2 | 2 | 2 | 2 | 2 | 2 |
L5 | 16 | 25 | 28 | 32 | 45 | 50 | 70 | 80 | 100 |
L6 | 2 | 2.5 | 3.5 | 4 | 2.5 | 5 | 2.5 | 2.5 | 5 |
L7 | 47.5 | 54 | 62 | 72 | 87 | 102 | 127 | 147 | 167 |
L8 | 67 | 84 | 97 | 112 | 137 | 162 | 202 | 232 | 277 |
L9 | 4.5 | 4.8 | 4.8 | 7.2 | 10 | 12 | 12 | 12 | 15 |
L10 | 10 | 12.5 | 12.5 | 19 | 28 | 36 | 36 | 36 | 42 |
L11 | 27 | 30 | 36 | 44 | 55 | 67 | 85 | 95 | 110 |
L12 | 19.5 | 30 | 35 | 40 | 50 | 60 | 75 | 85 | 110 |
L13 | 13 | 15 | 15 | 15 | 15 | 15 | 20 | 25 | 25 |
L14 | 2 | 2 | 2 | 2 | 2 | 2 | 2 | 2 | 2 |
L15 | 16 | 25 | 28 | 32 | 45 | 50 | 70 | 80 | 100 |
L16 | 2 | 2.5 | 3.5 | 4 | 2.5 | 5 | 2.5 | 2.5 | 5 |
L17 | 6 | 8 | 8 | 8 | 10 | 10 | 10 | 10 | 10 |
L18 | 43 | 52.5 | 55 | 60 | 60 | 70 | 90 | 105 | 120 |
L19 | 4.5 | 4.8 | 4.8 | 7.2 | 10 | 12 | 12 | 12 | 15 |
L20 | 10 | 12.5 | 12.5 | 19 | 28 | 36 | 36 | 36 | 42 |
L21 | 75.5 | 90 | 100 | 115 | 130 | 155 | 195 | 225 | 260 |
L22 | 95 | 120 | 135 | 155 | 180 | 215 | 270 | 310 | 370 |
B1 h9 | 5 | 5 | 6 | 6 | 10 | 12 | 14 | 16 | 18 |
B2 h9 | 5 | 5 | 6 | 6 | 10 | 12 | 14 | 16 | 18 |
H1 | 15 | 18 | 20.5 | 24.5 | 35 | 43 | 53.5 | 59 | 64 |
H2 | 15 | 18 | 20.5 | 24.5 | 35 | 43 | 53.5 | 59 | 64 |